
流量测量和仪表类型繁多,测量对象复杂多样,决定了流量测量仪表在应用上的复杂性。它与传统意义上度量衡计量器具的应用有较大差别——不是简单地将流量计安装好,开表投运就能达到测量目的。由于多数流量仪表为介质接触型,因此在仪表安全运行的基础上,力求提高测量仪表的正确性和节能性,为此不仅要选用满足准确度要求的流量仪表,而且要根据被测介质的特点选取合理的测量方式。阿牛巴流量计的操作原理同其它类型的差压流量计的工作原理相同,都是基于密封管道中的能量守恒定理。
一、主要特点:
流量测量和仪表类型繁多,测量对象复杂多样,决定了流量测量仪表在应用上的复杂性。它与传统意义上度量衡计量器具的应用有较大差别——不是简单地将流量计安装好,开表投运就能达到测量目的。由于多数流量仪表为介质接触型,因此在仪表安全运行的基础上,力求提高测量仪表的正确性和节能性,为此不仅要选用满足准确度要求的流量仪表,而且要根据被测介质的特点选取合理的测量方式。阿牛巴流量计的操作原理同其它类型的差压流量计的工作原理相同,都是基于密封管道中的能量守恒定理,但均速管流量计由于其结构设计,因此具有如下优点:
可测量多种介质——可测量气体、蒸汽、液体,应用范围较广
测量精度高、重复性好——精度可达±0.75%,重复性可达 0.1%
测量信号稳定,波动小;压力损失小——约为满刻度差压值的 3%,几乎可以不考虑压力损失
安装费用低,基本免维护——安装时需在管道上简单开孔、焊接就可,费用低,整体无活动部件,基本免维护
可直接测量介质的温度和压力,计算出蒸汽、气体的质量流量和标况流量。
二、流量计组成
CRA阿牛巴流量计分两种结构——经济式和精确式。经济式由一次阻流(传感)元件、变送器和阀组组成,精确式除上述部件外还根据用户工况增加了特殊管线。

三、工作原理
阿牛巴流量计是一种差压型流量仪表,迄今为止以差压原理设计的流量仪表已经有一百多年的应用历史了。差压原理就是基于密封管道中的能量转换原理,也就是说对稳定流体,流量同管道中介质流量的平方根成正比。我们知道,当速度增加时压力会降低,当介质接近节流件时,其压力为 P1,在介质通过节流区时,由于介质流通面积减小,流速会增加,压力降低为 P2, P1 和 P2 都通过流量计的取压口接到差压变送器上,流量变化时,流量计的两个取压口之间的差压值会增大或缩小。流量相同时,若节流面积大,则产生的差压值也大。
Q:体积流量
K:无量纲常数,因流量计不同而不同
Y:气体压缩系数,对非压缩流体时Y=1ΔP=P1-P2,一次阻流件上下游之间的压力差
ρ:流体密度
四、主要优势1、量程比宽阿牛巴流量计的量程较其它类型的差压流量计大得多,正常情况下为 10:1,若有需要可以加大。在雷诺数高于 6500 时,输出信号为线性,若低于 6500 也可测量,但需根据流体状况对输出信号根据曲线进行修正。
2、可在线安装、清洗、反吹对于部分无法停产安装的测点可以不停产选用在线插拔装置进行在线安装;对含杂质过多或脏污介质,为避免取压孔堵塞,也可以选用在线插拔装置进行定期清理或在线反吹装置进行反吹,以使测量长期准确可靠。
3、多点、分段取压取压方式灵活多样,根据流体的雷诺数及介质状况基于实验数据获得,因而能够准确进行流体测量。
4、传感器强度高机构桶过一些工艺加工而成的菱形单片双腔结构,避免了其他形状阿牛巴传感器的多片式结构或焊接工艺导致的腔室间渗漏或断裂,增加了传感器的整体强度,从而使测量精度变高。
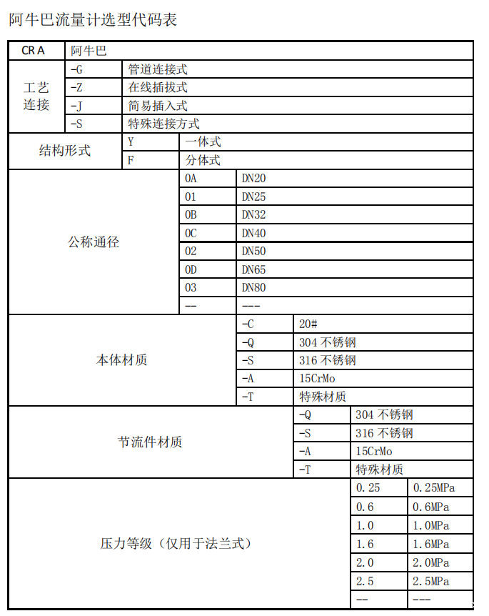
五、选型表